加微信聯系
[HTML]
[XML]
産品展示
新聞中心
技術支持
網站首頁
公司介紹
産品展示
行業資訊
技術支持
樣本下載
産品應用
在線訂購
在線留言
聯系我們
産品分類:
減速機
┊
蝸輪絲杆升降機
┊
轉向箱
┊
蝸輪蝸杆減速機
┊
齒輪減速機
┊
行星齒輪減速機
┊
擺線針輪減速機
┊
無級變速機
┊
大功率減速器
┊
資訊分類
新聞中心
技術支持
産品資訊
和産品相關的技術文章
SWL蝸輪絲杆升降機
TRSS系列絲杆升降機
JWM螺旋升降機
T螺旋傘齒輪轉向箱
ARA螺旋錐齒輪轉向箱
HD螺旋錐齒換向器
R系列斜齒輪硬齒面減速機
S系列斜齒輪蝸輪減速機
K系列螺旋錐齒輪減速機
F系列平行軸斜齒輪減速機
RV系列蝸輪蝸杆減速機
WP鑄鐵蝸輪蝸杆減速機
伺服行星減速機
P系列行星齒輪減速器
X/B系列擺線針輪減速機
WB微型擺線減速機
MB無級變速機
G全封閉齒輪減速電機
MC硬齒面減速器
HB标準工業齒輪箱
Z系列硬齒面圓柱齒輪減速機
當前位置:
網站首頁
>
技術支持
> P系列行星減速機有幾種輸入方式?[N,S,L,K]
P系列行星減速機有幾種輸入方式?[N,S,L,K]
Tags:
P系列行星齒輪減速器
發布時間: 2013-11-08
P系列行星減速機
有幾種輸入方式?
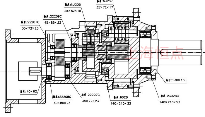
答:常用的有四種. N,标準型(同心輸入); S,斜齒輪級; L,錐齒輪級; K,錐齒-斜齒輪級.這四種方式,組合後速比逐漸增大.具體的參見選型參數表.
爲瞭直觀的瞭解各型号的區别,下面以圖例的方式向大家介紹下.
1: N,标準型(同心輸入);
2: S,斜齒輪級
3: L,錐齒輪級
4: K,錐齒-斜齒輪級 其實這是S與L的組合輸入方式,如下圖
上一篇:
防爆電機是不會爆炸的電機嗎?
下一篇:
P系列行星減速機的輸出方式有哪幾種?
相關新聞文章
> 查看更多
O型圈損壞的原因和措施-工作條件不當
2026-02-06
工業齒輪油在使用中應注意什麽?
2025-06-19
錐齒輪承載能力計算方法第 2 部分:齒面接觸疲勞(點蝕)強度計算潤滑油膜影響系數ZL、ZV、ZR(GB/T10062.2-2003)
2025-05-13
平面二次包絡環面蝸杆減速器系列、潤滑和承載能力減速器的潤滑(GB/T16444-1996)
2025-03-26
什麽是軸承的互換性
2024-12-23
什 麽 是 滾 動 軸 承
2024-12-17
什麽是軸承的特征壽命
2024-10-29
步進電機的外表溫度允許達到多少?
2024-09-16
圓柱齒輪檢驗實施規範第2部分:徑向綜合偏差、徑向跳動、齒厚和側隙的檢驗徑向跳動的測量、偏心量的確定(GB/Z18620.2-2002)
2024-08-22
漸開線圓柱齒輪精度齒輪副的檢驗和要求、側隙(GB10095-88)
2024-07-18
圓弧圓柱齒輪精度精度等級、齒坯要求(GB/T15753-1995)
2024-05-21
輥道電機減速器産品分類(JB/T5562-91)
2024-04-19
【
關閉本頁
】 【
打印本頁
】
電 話:021-22815912 021-22816186 傳 真:021-32050712 郵箱:sales@021jsj.cn
減速機
絲杆升降機
轉向箱
蝸輪蝸杆減速機
Copyright
©
2009-2026
上海恒點傳動設備有限公司
版權所有 地址:上海市金山區亭林鎮林寶路39号 郵編:200442
滬ICP備10206998号-2
友情鏈接
:
機械設備網
|
渦街流量計
|
輸送機
|
變頻控制櫃
|
破碎機
|
工業同城
|
手持終端
|
柴油發電機
|
uv平闆打印機
|
風淋室
|
QUV
|
防火門
|
九愛圖紙
|
感應加熱設備
|
輸送帶廠家
|
噪聲治理
|
西門子plc
|
拖鏈電纜
|
AGV
|
機械雜志
|
現代機械
|
UWB高精度定位
|
×
手機用戶請長(zhǎng)按添加到“照片”,然後(hòu)打開微信掃一掃選擇二維碼。