加微信聯系
[HTML]
[XML]
産品展示
新聞中心
技術支持
網站首頁
公司介紹
産品展示
行業資訊
技術支持
樣本下載
産品應用
在線訂購
在線留言
聯系我們
産品分類:
減速機
┊
蝸輪絲杆升降機
┊
轉向箱
┊
蝸輪蝸杆減速機
┊
齒輪減速機
┊
行星齒輪減速機
┊
擺線針輪減速機
┊
無級變速機
┊
大功率減速器
┊
資訊分類
新聞中心
技術支持
産品資訊
和産品相關的技術文章
SWL蝸輪絲杆升降機
TRSS系列絲杆升降機
JWM螺旋升降機
T螺旋傘齒輪轉向箱
ARA螺旋錐齒輪轉向箱
HD螺旋錐齒換向器
R系列斜齒輪硬齒面減速機
S系列斜齒輪蝸輪減速機
K系列螺旋錐齒輪減速機
F系列平行軸斜齒輪減速機
RV系列蝸輪蝸杆減速機
WP鑄鐵蝸輪蝸杆減速機
伺服行星減速機
P系列行星齒輪減速器
X/B系列擺線針輪減速機
WB微型擺線減速機
MB無級變速機
G全封閉齒輪減速電機
MC硬齒面減速器
HB标準工業齒輪箱
Z系列硬齒面圓柱齒輪減速機
當前位置:
網站首頁
>
技術支持
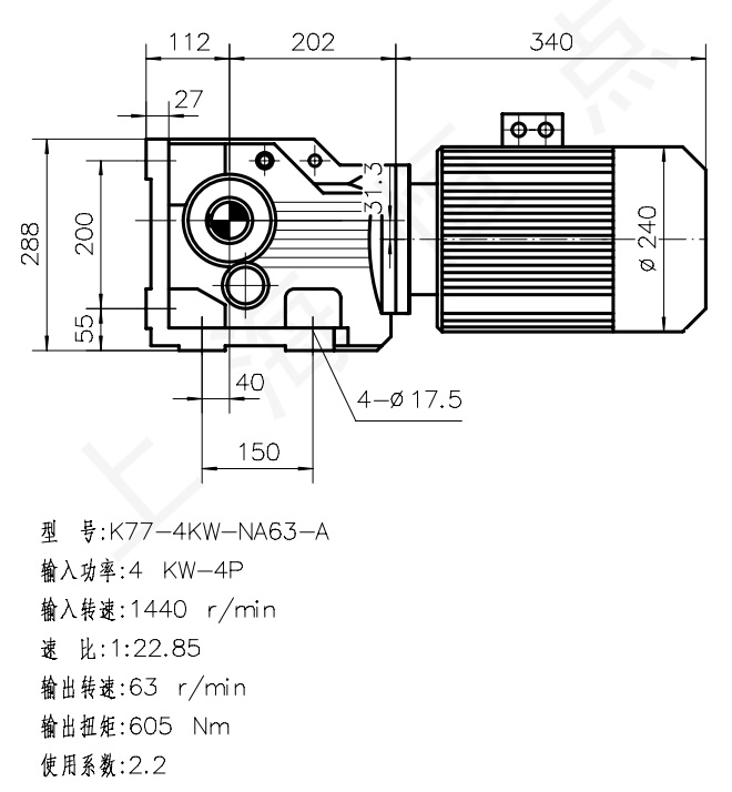
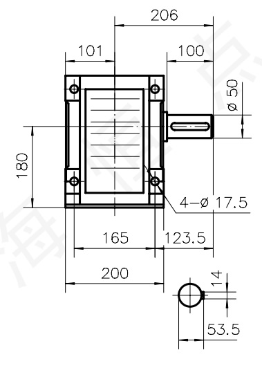
> K系列減速機[K77-Y4KW-NA63-A]标準件外型尺寸圖
K系列減速機[K77-Y4KW-NA63-A]标準件外型尺寸圖
Tags:
K系列螺旋錐齒輪減速機
發布時間: 2013-12-02
K系列減速機
[K77-Y4KW-NA63-A]标準件外型尺寸圖,适用於K77系列減速機,配4KW四級普通電機,其他電機尺寸請來電咨詢,電話:021-22815912
上一篇:
K系列減速機[K77-Y2.2KW-NA24-AB]外型尺寸圖 雙出軸
下一篇:
T8轉向箱外型尺寸圖(1-LR,1-L,1-R等)
相關新聞文章
> 查看更多
軸承異響,可遵循“由外及内,由簡至繁”的原則進行排查
2026-01-28
軸承保持架的作用及結構特點
2025-12-18
電動機噪聲控制途徑及噪聲源的識别
2025-11-27
車削螺紋時常見故障及解決方法-亂扣
2025-08-28
影響對中精度的因素有哪些?
2025-08-08
絕對誤差與相對誤差有哪些特點
2025-07-11
仿形銑削還是等高線切削?
2025-05-29
錐齒輪承載能力計算方法第1部分:概述和通用影響系數術語與定義、代号與縮寫詞(GB/T10062.1-2003)
2025-05-06
英制齒輪的徑節是否和公制的模數一樣有一些标準數值
2025-02-27
什麽是軸承的裝配倒角最小值和最大值
2024-11-28
齒輪芯軸是怎樣裝配的?
2024-10-18
什麽是步進電機?
2024-09-09
【
關閉本頁
】 【
打印本頁
】
電 話:021-22815912 021-22816186 傳 真:021-32050712 郵箱:sales@021jsj.cn
減速機
絲杆升降機
轉向箱
蝸輪蝸杆減速機
Copyright
©
2009-2026
上海恒點傳動設備有限公司
版權所有 地址:上海市金山區亭林鎮林寶路39号 郵編:200442
滬ICP備10206998号-2
友情鏈接
:
機械設備網
|
渦街流量計
|
輸送機
|
變頻控制櫃
|
破碎機
|
工業同城
|
手持終端
|
柴油發電機
|
uv平闆打印機
|
風淋室
|
QUV
|
防火門
|
九愛圖紙
|
感應加熱設備
|
輸送帶廠家
|
噪聲治理
|
西門子plc
|
拖鏈電纜
|
AGV
|
機械雜志
|
現代機械
|
UWB高精度定位
|
×
手機用戶請長(zhǎng)按添加到“照片”,然後(hòu)打開微信掃一掃選擇二維碼。