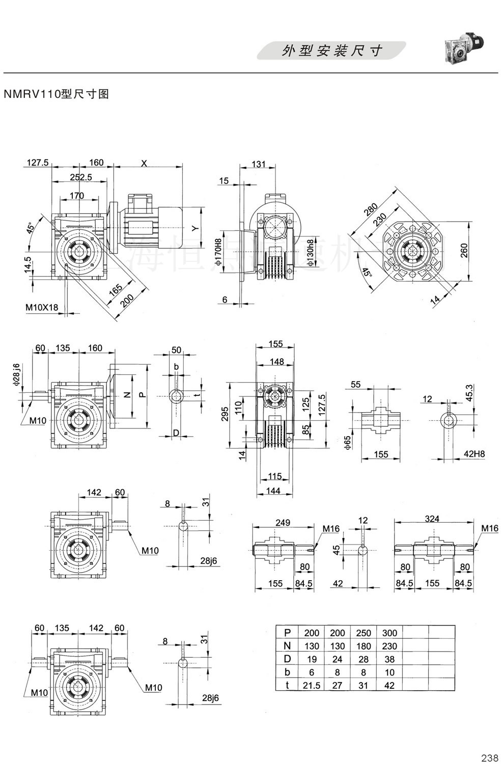
NMRV110,NRV110,RV110型外形尺寸圖 - RV系列蝸輪蝸杆減速機 |
快速切換 選型參數及尺寸參數 →
 |
|
NMRV110,NRV110,RV110型蝸輪蝸杆減速機外形尺寸圖,輸入有:法蘭,單軸,尾軸,輸出有:通孔,單軸,雙軸,法蘭

|
【關閉本頁】 【打印本頁】 |
|
RV系列蝸輪蝸杆減速機 詳細選型參數及尺寸參數: |
|
1 - RV系列減速機的産品形式
|
2 - RV系列減速機産品概述及結構圖,型号表示
|
|
3 - RV系列減速機的輸入輸出圖表及安裝形式
|
4 - RV系列減速機蝸輪參數表(模數m,蝸杆頭數Z1,齒數Z2,螺旋角度,輸出效率)
|
|
5 - RV系列減速機的性能參數(60W 90W 120W 180W 250W)
|
6 - RV系列減速機的性能參數(370W 550W 750W 1.1KW 1.5KW)
|
|
7 - RV系列減速機的性能參數(2.2 3KW 4KW 5.5 7.5 11 15KW)
|
8 - RV系列減速機出力軸的許可徑向加載力,減速機的電機配合接口
|
|
9 - NMRV025,NRV25,RV25型外形尺寸圖
|
10 - NMRV030,NRV30,RV30型外形尺寸圖
|
|
11 - NMRV040,NRV40,RV40型外形尺寸圖
|
12 - NMRV050,NRV50,RV50型外形尺寸圖
|
|
13 - NMRV063,NRV63,RV63型外形尺寸圖
|
14 - NMRV075,NRV75,RV75型外形尺寸圖
|
|
15 - NMRV090,NRV90,RV90型外形尺寸圖
|
16 - NMRV110,NRV110,RV110型外形尺寸圖(tú)
|
|
17 - NMRV130,NRV130,RV130型外形尺寸圖
|
18 - NMRV150,NRV150,RV150型外形尺寸圖
|
|
19 - 雙級RV系列蝸輪蝸杆減速機,帶電機安裝形式
|
20 - 雙級RV系列蝸輪蝸杆減速機性能參數030-075
|
|
21 - 雙級RV系列蝸輪蝸杆減速機性能參數050-150
|
22 - NMRV/NMRV雙級組合外形尺寸和安裝尺寸
|
|
23 - RV系列減速機蝸輪尾出軸E尺寸,蝸輪輸出軸(DZ,SZ)尺寸,扭力臂A尺寸
|
|
|